Agema AG6248C.html

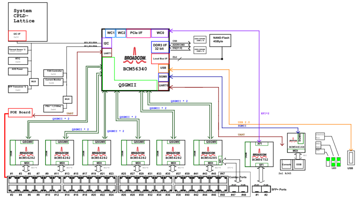
Switch block diagram

Agema submitted the AG6248C to OCP on March 14, 2016. Mentioned on March 9, 2016 on the Opencompute-onie mailing list. Submitted to the OCP as an open design. The OCP submissions list says that the switch designs were accepted in 2018.